
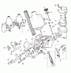
SU HS4ツインキャブ
先日は、以前から気になっていたキャブレターのメンテナンスを
やってみることにした。
キャブレターについては、若い頃にほんの少しだけいじった事はあったがもう既に何もかもを忘れてしまっているので初めてだと言ってもいいくらいだ。
エンジンの調子に重要な部分だけに、はたして素人が下手に触ってもいいものなのかかなりチュウチョしたが、ネットの情報や雑誌などの資料を読み漁ったり、プロのアドバイスも受けて机上の知識だけはある程度手に入れる事が出来たので、これはやってみるしか無いと言う事でまずは簡単な分解とクリーニングから実践してみた。
どうせやるなら、オーバーホールもかねて本格的にやったほうが
いいのだろうけど・・・
イヤイヤ、まだそこまでの自信も無いし
ガスケットやオーリングなどのオーバーホールキットも無いので
それは今後の課題としてもう少し練れてから実際にやってみたい。
とりあえず今は、クリーニングとアイドリング調整やエアー&ガス調整などで
感覚を掴むことが重要!
近日中には、シンクロメーターも手に入れたいなぁ〜(^^;)
キャブレターが理解できるようになったら本当に楽しそうでワクワクする・・・
メカニック気取りで、今後ますます機械(ミニ)いじりにのめり込みそうだ
目次
メイキング
今回は、まず手始めにクリーニングに挑戦!

実際にSUキャブの分解作業の様子を見た事も無いので
恐る々サクションチャンバーから取り外しにかかりひとまず
サクションピストンまで取り外した。
部品用の大きなトレーが無いので近くに在った洗面器に
分解した部品をまとめたが、ジェットニードルやピストンは
傷つけないよう細心の注意で取り扱う。
ピストンには、ガソリンのカスなのか
スラッジのような物がこびり付いている。

KURE エンジンコンディショナーを吹き付けて
しばらく付け置きするとドロドロと汚れが流れ出してきた。

※コンディショナー吹き付け前のキャブ本体
今回準備したこのエンジンコンディショナーは、ネットのインプレッション
などで評判が良くて、使ってみるとなるほど汚れがよく落ちるようだ(納得)
使用説明ではエンジン内部にも有効なので
キャブ本体にもたっぷり吹き付けて置いたほうがいいだろう。
吹き付けてしばらく経って、後にウエスで軽く拭き取ってエアーダスターで
吹き飛ばしたところ見違えるほどにキレイになった ![]()

KURE エンジンコンディショナーを吹き付けて軽く拭き取っただけで
こんなにキレイになった。
さすがぁ〜(^^)

サクションチャンバーに磨きをかけてみた
サンドペーパー800番、1500番、2000番を順番に掛けて
ピカールで仕上げてみたけど・・・
ウ〜ン、今一だなぁ〜
ネットで見た、先人達のようにはピカピカにはならないさぁ〜zzz
やっぱりリューターなどの電動工具を使ったほうがいいのかも・・・
まぁ〜今回はこれでいいや(^^;)
センターメーターウインカーランプ点検

そういえば
センターメーターの左側ウインカーランプの光が、とても薄かったのを
思い出したので、もし電球が切れかかっているのならついでに交換しようと
確認してみたところ・・・
なぁ〜んだ、ただソケットが外れているだけだったさぁ〜
ちなみに、センターメーターのウインカーは通常の車のように
左右で光るように改良済みだ(^^)
ウインカーに関してはソケットをしっかりはめ込むだけで終了。
ヨカッタ ![]()

クリーニングした部品を元通りに組み付けて、作業は完了!
やってみるとあっけく終わってしまったが
今回は初めてなので、とりあえず構造の確認が出来ただけでも
意味深い作業になったと思う。
ダンパーオイルに使用したのは
なんと100均ダイソーで売っている万能オイルだ!
これ、意外でしょ〜(^^)
ダンパーオイルは、何が良いのかさんざん調べてみると
ギヤーオイルが良いとかATFが良いとか
または10W-50のエンジンオイルが良いとか様々な意見があった。
しかし、ある資料で・・・
「ダンパーオイルは家庭用の万能オイルで充分であり
良いとされている様々なオイルを試してみたが、結局万能オイルのほうが
SUキャブのダンパー機能がより適切に働いていると感じ、アクセルを踏んだ際に
従順にエンジンが従うように感じた。」というレポートを発見した。
はじめは自分も「えっ、こんな物で!」って思ったけど
そのレポートの著者は、既に何十年と旧車一筋にトライ&エラーを重ねている
達人のようで自身もかつてメイドインジャパンを支えたメカニックのプロであり
極めて信憑性が高い報告書のため、これを信じて試してみる事にした。
作業を終えて、早速エンジンをかけて近くをグルっと走行テストしてみたところ
エンジンのレスポンスがかなり良くなったように感じたし、アクセルの反応も
前よりもずいぶん良くなったようだ。
半信半疑だった、100均の家庭用万能オイルも何の問題もないようだし
前よりもかえって良いように感じて、「あっ、これは使えるっ!」
と実感させられた。
もうしばらくの間、使ってみないとはっきりとした事は言えないが
今後も四季を通じて使い続けてみたい。
当初は、ギヤーオイルを購入予定だったので
たった3〜5cc×2が必要なダンパーオイルのために高額な買い物の
必要がなくなってとてもラッキーだった ![]()
ナイトミーティング

その日はたまたま、ミニクラブの整備会があって
自分は仕事上参加できなかった・・・
と言っても仕事中に時間を見つけて店の裏のガレージで
キャブをいじっていたけど(^^;)
夜には、整備会のアフターミーティングがあったので
走行テストも兼ねて参加してきたが、やはりほんの数時間前まで
やっていたキャブメンテの話で自分は盛り上がって
とても楽しかったなぁ〜
だけど、自慢話を聞かされ続けた皆さん、どうもスンマソ〜(^^;)
お買物

後日、今回の作業で必要だと思った道具を100均で買い揃えておいた。
全部で、たったの420円(税込)
特に、パーツトレーの代用にするためのクッキング用ステンレス製BATについては
アストロでもちょうど同じサイズのパーツトレーが980円で売っているのを見かけて
買おうかとずいぶん迷って結局買わなかったけど・・・
あの時買わなくて本当によかったさぁ〜
確かに100均の物は金属の厚みが薄くて安物のチープな感じだけど
これでも充分だよね(^^)
電動工具用のワイヤーブラシもたったの100円・・・良い時代になったねぇ〜
真鍮のワイヤーブラシは金属の磨きに最適!
今度はこれを使ってキャブのサクションチャンバーを
ピカピカに光らせてみたいさぁ〜![]()
それでは
IVY



